- MXD-K025AN
- MXD-K050AN
- MXD-K075AN
- MXD-K100AN
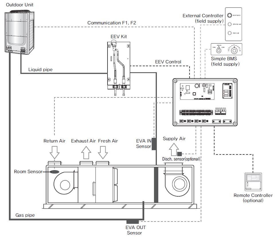
AHU Kit (MXD–K***AN, Discontinued)
AHU Kit is an adapter that allows connection of custom, third-party air handling units (AHU) to DVM S systems. AHU Kit consists of a control PCB, electronic expansion valve, pipe and air sensors. AHU Kits can be used for standard air handling units or for 100% outside air systems. Features include: • Discharge air temperature control, • Ventilation damper control – 2~10VDC output with customizable settings, • Simple BMS control can be used to control set temperature or discharge air temperature when using discharge air control (0 ~ 10V input). Mode can also be changed with a dry contact input.